深圳市歐姆雷盾科技有限公司
全國統一服務熱線:400-680-0309
電話:0755-82591856
傳真:0755-82599306
E-mail:info@omrdon.com
地 址:深圳市坪山區坑垶禾田路2號坪山高新智能制造產業園6棟8樓
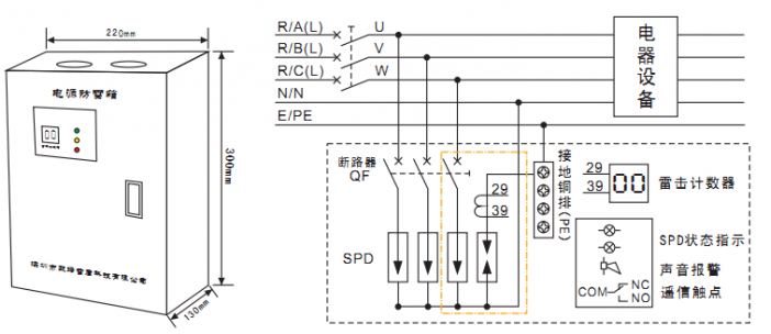
歐姆雷盾(OMRDON)I級80KA單相/三相電源防雷箱 適用于交流50Hz/60Hz,380V及以下的TN-S、TN-C-S、TT、IT等供電系統的防雷保護,用于雷擊區域的LPZ OA或LPZB區與LPZ1區交界處,其設計依據符合GB18802.1,IEC61643-1技術標準,內置的防雷模塊內置失效脫離裝置,可視告警指示模塊可在有工作電壓情況下更換。并帶有數顯雷擊計數器,可以方便的記錄雷電波沖擊次數。
| 名稱 | 單相交流電源防雷箱 | 三相交流電源 |
| 型號 | OMP-APX80/220 | OMP-APX80/380 |
| 試驗級別 (依據IEC61643-1) | I | |
| 保護模式 | L-N,N-PE | |
| 額定工作電壓 (Un) | 220V | 380V |
| 最大持續工作電壓 (Uc) | ~420V | ~420V |
| 電壓保護水平(Up) 在Isn時 | ≤2.9kV | |
| 標稱放電電流 (In) | 40kA (8/20μs) | |
| 最大放電電流 (Imax) | 80kA (8/20μs) | |
| 響應時間 (Ta) | ≤25ns | |
| 接入導線截面 (L/N) | ≥16mm2 | |
| 接入接地線截面 (PE) | ≥25mm2 | |
| 熔斷器或斷路器選型 | D型32A 125A | |
| 工作環境 -40℃~+85℃ | —40℃~+85℃ | |
| 相對濕度 ≤95% | ≤95% | |
| 附件 | 內置雷擊計數器 微型斷路器 | |
| 安裝 | 掛墻式,螺絲固定 | |
| 遙信端子接線 | COM:公共端,NO:常閉,NC常開 | |
| 外殼材料 | 外箱:噴涂金屬板;內置模塊:阻燃PBT | |
| 產品尺寸 | 300×220×130mm | |
| 測試依據 | GB18802.1、IEC61643-1 | |
防雷箱安裝注意事項
1、安裝時必須斷開電源,嚴禁帶電操作。
2、連接導線必須采用多股銅芯導線,導線截面積必須符合工程安裝要求。安裝時注意L線接防雷箱斷路器L接線端子,N線接防雷器N線端子,PE地線接防雷箱的PE接地銅排,不能接反或漏接。
3、當指示燈綠燈亮時,表示電源工作正常;當黃燈亮時表示防雷器工作正常;當紅亮時,則表
示防雷器已失效,須及時更換或檢修。
4、當遠端報警器發生報警時,表示防雷箱已失效或線路出問題,須及時檢修或更換。
5、雷擊計數器有數字顯示(1-99)時,表示有雷電流通過;可通過防雷箱蓋后面板的復位鍵進行清零復位,計數器將重新計數.
6、防雷箱無需特別維護,但應定期檢查接線是否可靠、指示燈是否正常。
防雷器尺寸及安裝方法:








