浪涌保護器防雷模塊|SPD浪涌保護器防雷模塊|深圳浪涌保護器防雷模塊
人氣:2408發表時間:2018-10-08
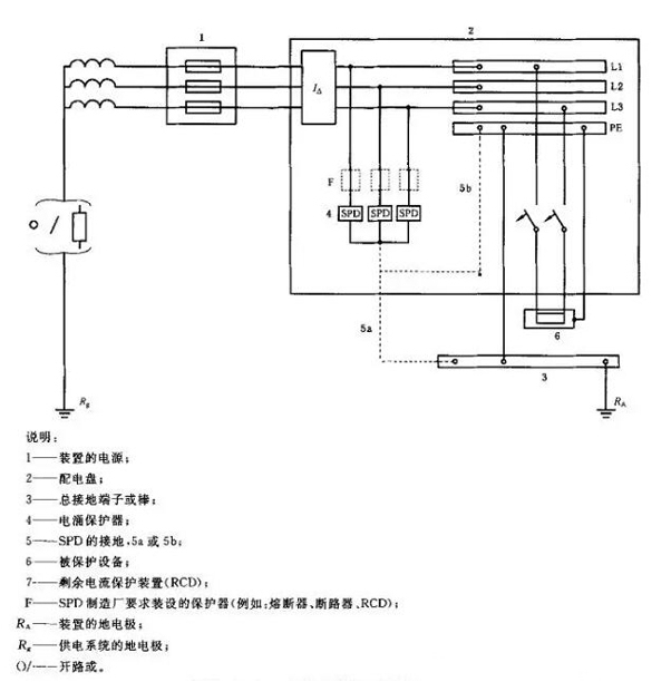
浪涌保護器也叫做防雷器,是一種為各種電子設備,通訊線路提供的防雷的裝置,浪涌保護器它能夠在極短的時間內將雷擊電流泄放入大地。從而保護設備不被侵害。

浪涌保護器防雷模塊其實就是多個浪涌保護器并聯在一起,通常情況下,都是兩個或者四個浪涌保護器并聯在一起,浪涌保護器種類繁多,按工作原理來分的話,有電壓開關型的,限壓型的以及組合型的。按照用途來分的話,有電源型浪涌保護器,信號型浪涌保護器,
深圳歐姆雷盾科技有限公司是一家專業從事防雷產品的公司,本公司擁“omrdon”自主品牌,生產,銷售,設計為一體的高科技團隊,主要生產,電源防雷器,信號防雷器,天饋防雷器,避雷針等等防雷產品,產品被廣泛的應用在電信,航空,安防,光伏太陽能等多個領域,如果有需要的話,歡迎撥打深圳歐姆雷盾防雷公司熱線電話:400-680-0309
相關資訊
- 防雷器|深圳防雷廠家|防雷產品生產廠家
- 【POE以太網防雷器保護】_信號防雷器電路圖防護_網
- 【4-20ma防雷器】_防雷器_4-20ma二線制模擬信號防雷
- 【等電位防雷器】_防雷器_等電位防雷器使用說明書
- 建筑物防雷分類_一類二類三類防雷建筑物劃分
- PDU防雷插座_六位PDU防雷插座講解
- 等電位接地防雷浪涌保護器施工注意事項
- 安全防范系統的防雷浪涌保護器與接地應符合下列規定
- 信號線路的防雷浪涌保護器與接地應符合下列規定:
- 天饋線路的防雷與接地應符合下列規定
產品推薦
文章排行
- 監控二合一防雷器的安裝步驟
- 浪涌保護器接線圖|浪涌保護器安裝要求|浪涌保護器接
- 家用【浪涌保護器】接線圖_220V【浪涌保護器】安裝
- 電源浪涌保護器(SPD)安裝的誤區
- 建筑物防雷分類_一類二類三類防雷建筑物劃分
- 裝有避雷帶的屋頂上,安裝風機等電氣設備后,如何進行
- 開關型電涌保護器(SPD)和限壓型SPD的區別?
- 【浪涌保護器】該如何接線_【浪涌保護器】安裝示意
- 許多用戶認為,多少年來電器設備沒有遭受過雷擊,現在電
- 電源是否要設計A、B、C、D四級保護?



